广告

广告

您的位置 首页 常识

步进电机接线图图解(8相步进电机接线图图解)

一:接线图 步进电机接线图 ▼ 两相步进电机接线图 ▼ 两相混合式步进…

一:接线图

步进电机接线图

两相步进电机接线图

两相混合式步进电机驱动器

四相步进电机接线图

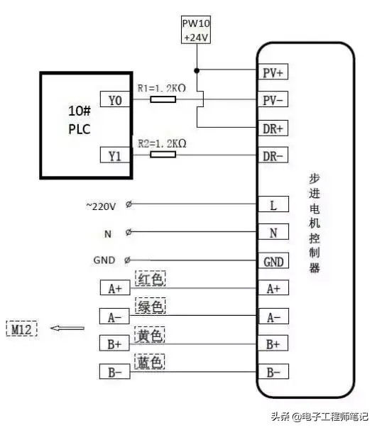
三菱PLC与步进电机驱动器的接线图

伺服系统的输进信号接线图

二:控制原理图片

电机控制原理图

H桥恒频斩恒相流驱动电路原理框图

电流PWM细分驱动电路示意图

单极性驱动原理图

双极性驱动原理图

步进电动机微步驱动电路基本结构

步进电动机矢量控制位置伺服系统

步进电动机的闭环伺服控制系统

版权声明:本文内容及图片由互联网用户自发投稿贡献,该文观点仅代表作者本人。本站仅提供信息存储空间服务,不拥有所有权,不承担相关法律责任。本站仅提供信息存储服务,文章及图片非本站所发,由用户投稿自发贡献,如有图片及内容侵权不通过邮件告知删除,而擅自诉讼/敲诈/勒索,本站概不妥协,本站认为是在敲诈,必将拿起法律的武器坚决捍卫自己的权益。如发现本站有涉嫌抄袭侵权/违法违规的内容, 请第一时间发送邮件至 3093421469@qq.com 举报,一经查实,本站将立刻删除。转载请注明出处:http://www.bces.com.cn/41475.html

广告

广告

广告

广告

广告

广告

作者: 投稿

为您推荐

发表评论

联系我们

联系我们

工作时间:周一至周五,9:00-17:30,节假日休息

关注微信
微信扫一扫关注我们

微信扫一扫关注我们

关注微博
返回顶部